当前位置:
首页
>
政府信息公开
>
法定主动公开内容
>
重点领域公开
>
生态环境
关于延续实施国三及以下排放标准柴油货车
提前淘汰报废补贴政策的通告
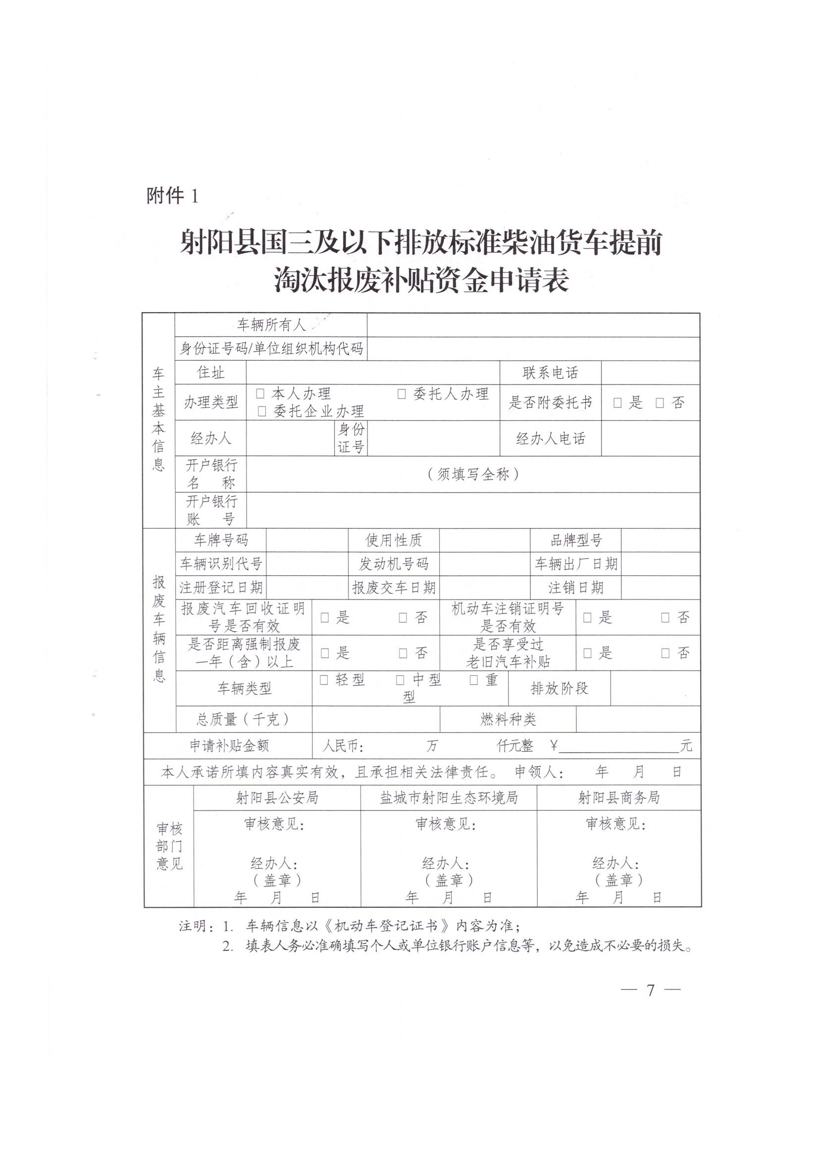
关于延续实施国三及以下排放标准柴油货车提前淘汰报废补贴政策的通告(附件).docx
打印
关闭